
JIS日標法蘭標準尺寸表
2021-03-08 關注次數:日標法蘭主要起到管道之間相互連接的作用,因為具有密封性好,安裝方便的優點,所以在化工石油等領域比較常見。按照連接方式分類板,板式平焊法蘭、帶頸平焊法蘭、帶頸對焊法蘭、承插焊法蘭、螺紋法蘭、法蘭蓋、帶頸對焊環松套法蘭等。
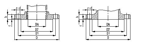
JIS法蘭(JIS B 2238、JIS B 2239)

JIS 5K 單位:mm
口徑 DN | 適 用 的 鋼管外徑 | 法蘭外徑D | 法蘭各部分尺寸 | 螺栓孔 | 螺栓的 螺紋 尺寸 | |||||
b | f | 直徑D2 | 中心圓直徑D1 | 數量z | 直徑d | |||||
灰鑄鐵以外 | 灰鑄鐵 | |||||||||
10 | 17.3 | 75 | 9 | 12 | 1 | 39 | 55 | 4 | 12 | M10 |
15 | 21.7 | 80 | 9 | 12 | 1 | 44 | 60 | 4 | 12 | M10 |
20 | 27.2 | 85 | 10 | 14 | 1 | 49 | 65 | 4 | 12 | M10 |
25 | 34.0 | 95 | 10 | 14 | 1 | 59 | 75 | 4 | 12 | M10 |
32 | 42.7 | 115 | 12 | 16 | 2 | 70 | 90 | 4 | 15 | M12 |
40 | 48.6 | 120 | 12 | 16 | 2 | 75 | 95 | 4 | 15 | M12 |
50 | 60.5 | 130 | 14 | 16 | 2 | 85 | 105 | 4 | 15 | M12 |
65 | 76.3 | 155 | 14 | 18 | 2 | 110 | 130 | 4 | 15 | M12 |
80 | 89.1 | 180 | 14 | 18 | 2 | 121 | 145 | 4 | 19 | M16 |
100 | 114.3 | 200 | 16 | 20 | 2 | 141 | 165 | 8 | 19 | M16 |
125 | 139.8 | 235 | 16 | 20 | 2 | 176 | 200 | 8 | 19 | M16 |
150 | 165.2 | 265 | 18 | 22 | 2 | 206 | 230 | 8 | 19 | M16 |
200 | 216.3 | 320 | 20 | 24 | 2 | 252 | 280 | 8 | 23 | M20 |
250 | 267.4 | 385 | 22 | 26 | 2 | 317 | 345 | 12 | 23 | M20 |
300 | 318.5 | 430 | 22 | 28 | 3 | 360 | 390 | 12 | 23 | M20 |
350 | 355.6 | 480 | 24 | 30 | 3 | 403 | 435 | 12 | 25 | M22 |
400 | 406.4 | 540 | 24 | 30 | 3 | 463 | 495 | 16 | 25 | M22 |
450 | 457.2 | 605 | 24 | 30 | 3 | 523 | 555 | 16 | 25 | M22 |
500 | 508.0 | 655 | 24 | 32 | 3 | 573 | 605 | 20 | 25 | M22 |
600 | 609.6 | 770 | 26 | 32 | 3 | 680 | 715 | 20 | 27 | M24 |
JIS 10K 單位:mm
口徑 DN | 適 用 的 鋼管外徑 | 法蘭外徑D | 法蘭各部分尺寸 | 螺栓孔 | 螺栓的螺紋尺寸 | 薄型法蘭 | |||||||
b | f | 直徑D2 | 中心圓 直徑D1 | 數量 z | 直徑 d | 灰鑄鐵 | 螺栓的孔徑 | 螺栓的尺寸 | |||||
灰鑄鐵以外 | 灰鑄鐵 | ||||||||||||
10 | 17.3 | 90 | 12 | 14 | 1 | 46 | 65 | 4 | 15 | M12 | 12 | 12 | M10 |
15 | 21.7 | 95 | 12 | 16 | 1 | 51 | 70 | 4 | 15 | M12 | 12 | 12 | M10 |
20 | 27.2 | 100 | 14 | 18 | 1 | 56 | 75 | 4 | 15 | M12 | 14 | 12 | M10 |
25 | 34.0 | 125 | 14 | 18 | 1 | 67 | 90 | 4 | 19 | M16 | 16 | 15 | M12 |
32 | 42.7 | 135 | 16 | 20 | 2 | 76 | 100 | 4 | 19 | M16 | 18 | 15 | M12 |
40 | 48.6 | 140 | 16 | 20 | 2 | 81 | 105 | 4 | 19 | M16 | 18 | 15 | M12 |
50 | 60.5 | 155 | 16 | 20 | 2 | 96 | 120 | 4 | 19 | M16 | 18 | 15 | M12 |
65 | 76.3 | 175 | 18 | 22 | 2 | 116 | 140 | 4 | 19 | M16 | 18 | 15 | M12 |
80 | 89.1 | 185 | 18 | 22 | 2 | 126 | 150 | 8 | 19 | M16 | 18 | 15 | M12 |
100 | 114.3 | 210 | 18 | 24 | 2 | 151 | 175 | 8 | 19 | M16 | 20 | 15 | M12 |
125 | 139.8 | 250 | 20 | 24 | 2 | 182 | 210 | 8 | 23 | M20 | 22 | 19 | M16 |
150 | 165.2 | 280 | 22 | 26 | 2 | 212 | 240 | 8 | 23 | M20 | 22 | 19 | M16 |
200 | 216.3 | 330 | 22 | 26 | 2 | 262 | 290 | 12 | 23 | M20 | 24 | 19 | M16 |
250 | 267.4 | 400 | 24 | 30 | 2 | 324 | 355 | 12 | 25 | M22 | 26 | 23 | M20 |
300 | 318.5 | 445 | 24 | 32 | 3 | 368 | 400 | 16 | 25 | M22 | 28 | 23 | M20 |
350 | 355.6 | 490 | 26 | 34 | 3 | 413 | 445 | 16 | 25 | M22 | 28 | 23 | M20 |
400 | 406.4 | 560 | 28 | 36 | 3 | 475 | 510 | 16 | 27 | M24 | 30 | 25 | M22 |
450 | 457.2 | 620 | 30 | 38 | 3 | 530 | 565 | 20 | 27 | M24 | - | - | - |
500 | 508.0 | 675 | 30 | 40 | 3 | 585 | 620 | 20 | 27 | M24 | - | - | - |
600 | 609.6 | 795 | 32 | 44 | 3 | 690 | 730 | 24 | 33 | M30 | - | - | - |
相關文章
-
日標法蘭表面出現凹坑的檢測方法都有哪些?
日標法蘭表面出現凹坑的檢測方法都有哪些?看完這里你就明白了。當日標法蘭表面出現凹坑時,一般常用的...
-
日標法蘭為什么都選擇鍍鋅呢
關于日標法蘭為什么在出產前一般客戶都選擇鍍鋅呢?講解法蘭在經過熱鍍鋅之后的優點:一、費用低。熱浸...
-
不銹鋼日標法蘭管件不易腐蝕的原因
?不銹鋼日標法蘭管件指帶有不銹鋼日標法蘭(突緣或接盤)的管件。它可由澆鑄而成,也可由螺紋連接或焊接...
-
不銹鋼日標法蘭具有良好的耐腐蝕性
不銹鋼日標法蘭表面薄而堅固的氧化膜使不銹鋼在所有水質中都具有優良的耐腐蝕性,即便地埋也具有優良的...
-
不銹鋼日標法蘭有哪幾種不銹鋼材質?
不銹鋼日標法蘭的材質是由不同的類型與不同的用處化學成分而制作的,不銹鋼能夠按用處、化學成分及金相...
-
常用的日標法蘭制造方法有幾種
日標法蘭消費工藝主要分為鍛造、鑄造、割制、卷制這四種。鑄造法蘭和鍛造法蘭鑄造出來的法蘭,毛坯外形...
